欢迎来到无锡市肯致电气有限公司官网
搜索产品
咨询热线:
0510-83590010
首 页
关于肯致
公司简介
企业资质
企业文化
肯致变频器
产品中心
自动化产品
自动化配件
减速电机
新闻中心
公司新闻
产品新闻
服务支持
资料中心
常见问题
联系肯致
联系我们
人才招聘
电话咨询
网站首页
在线留言
首页
变频器
肯致变频器
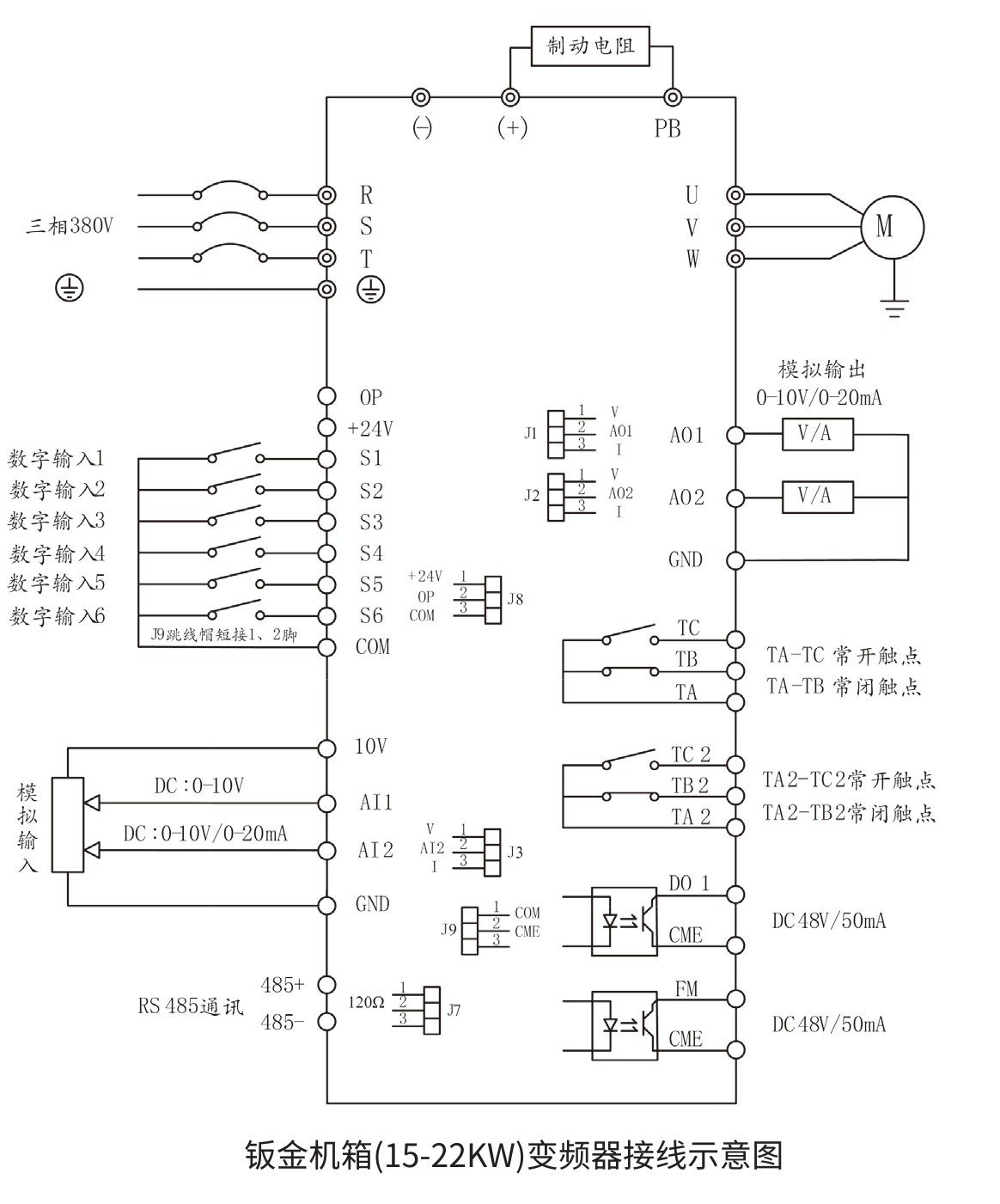
KPG高防护矢量变频器
在线咨询
咨询热线:
0510-83590010
热门关键词:
PLC
变频器
伺服电机
人机界面
搜索产品
变频器
肯致变频器
产品详情
在线留言
肯致微信
返回顶部
在线询价